Autor: Joanna Martinez
Teorema de superposición para solución de circuitos eléctricos.
El teorema de superposición sólo es aplicable a circuitos eléctricos lineales, es decir a aquellos formados únicamente por componentes en los cuales la amplitud de la corriente que circula por ellos es proporcional a la amplitud de la tensión en sus terminales. El teorema de superposición permite calcular la corriente o el voltaje en cualquier rama de un circuito estimulado por varias fuentes de energía, ya sean de corriente o de voltaje. De acuerdo a este teorema, el valor de la corriente o del voltaje en una rama de un circuito estimulado por varias fuentes se produce por la superposición de los estímulos de cada una de ellas.
La aplicación del teorema consiste en estimular el circuito con una sola fuente a la vez, calculando los valores de las corrientes y voltajes en todas las ramas del circuito. Luego se realiza el cálculo estimulando el circuito con la siguiente fuente de energía, manteniendo el resto de ellas desactivadas como en el primer caso y así sucesivamente. Finalmente se calculan las corrientes y voltajes en las ramas a partir de la suma algebraica de los valores parciales obtenidos para cada fuente. Para desactivar las fuentes, las de corriente se sustituyen por un corto circuito y las de voltaje por un circuito abierto.
Ejemplo de cálculo:
Figura Nº 1. Circuito con todas las fuentes de energía.
Calcular el voltaje en el punto A del circuito mostrado en la figura 1. Como el circuito es estimulado por dos fuentes de energía, será necesario realizar un primer cálculo, estimulando el circuito solamente con la fuente de voltaje, por lo cual se sustituirá a la fuente de corriente por un cortocircuito. Se obtendrá entonces el circuito de la figura 2.
Figura Nº 2. Circuito estimulado solo por la fuente de voltaje.
El voltaje parcial obtenido será:
VA1= I Z2 = I Z2= VA1= V0 (Z2 / Z1+Z2)
Ahora será necesario desactivar la fuente de voltaje, sustituyéndola por un circuito abierto y activar la fuente de corriente. Se obtendrá entonces el circuito de la figura 3.
Figura Nº 3. Circuito estimulado solo por la fuente de corriente.
Ahora el voltaje parcial será:
VA2= I0 Z= I0 (Z1 * Z2 / Z1 + Z2)
El resultado final se obtiene sumando los dos resultados parciales obtenidos, o sea:
V2= VA1 + VA2= V0 (Z2 / Z1+Z2) + I0 (Z1 * Z2 / Z1 + Z2)= (V0Z2 + I0 Z1 Z2) / (Z1 + Z2)
En circuitos complejos no resulta práctico el uso de este método pero el mismo valida, por ejemplo, realizar cálculos por separado en un circuito estimulado con corrientes directa y alterna a la vez, como son los circuitos con elementos activos (transistores, circuitos operacionales, etc.), así como los estimulados con señales no sinusoidales.
TEOREMAS Y LEYES FUNDAMENTALES
Teoremas y Leyes fundamentales que se aplican habitualmente en el análisis de circuitos eléctricos:
- Leyes de Kirchoff
- Teorema de la superposición
- Teorema de la sustitución
- Teorema de Millmann
- Teorema de Thevenin
- Teorema de Norton
Mientras que las leyes de Kirchoff tienen un carácter general, los teoremas citados sólo pueden ser aplicados directamente a circuitos que posean componentes lineales.
LEYES DE KIRCHOFF
Las Leyes de Kirchoff son el punto de partida para el análisis de cualquier circuito eléctrico. De forma simplificada, pueden enunciarse tal y como se indica a continuación:
- 1ª Ley de Kirchoff: La suma de las intensidades que se dirigen hacia un nudo es igual a la suma de las corrientes que abandonan dicho nudo.
- 2ª Ley de Kirchoff: La suma de las caídas de tensión o diferencias de potencial a lo largo de un circuito cerrado es nula.
Ley de los NUDOS Ley de las MALLAS (Leyes de Kirchoff)
En un circuito con varias excitaciones, el estado global del circuito es la suma de los estados parciales que se obtienen considerando por separado cada una de las excitaciones.
Los pasos que deben seguirse para aplicar a un circuito este teorema son:
1. Eliminar todos los generadores independientes menos uno y hallar la respuesta debida solamente a dicho generador.
2. Repetir el primer pasó para cada uno de los generadores independientes que haya en el circuito.
Sumar las repuestas parciales obtenidas para cada generador.
Los generadores independientes de tensión se anulan cortocircuitándolos (así se impone la condición de tensión generada nula), mientras que los de corriente se anulan abriendo el circuito (corriente nula).
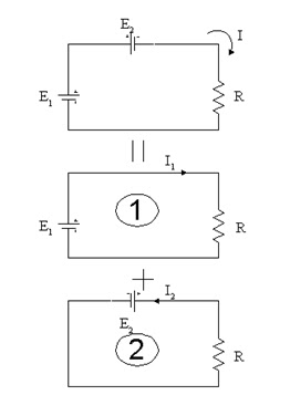
Ejemplo 1: Hallar mediante el principio de la superposición la corriente que circula en el circuito alimentado por los generadores E1 y E2.
SOLUCIÓN: El circuito global puede descomponerse en los subcircuitos 1 y 2.
El resultado coincide obviamente con el que se obtendría aplicando la ley de las mallas en el circuito global:
TEOREMA DE LA SUSTITUCION
Según el teorema de la sustitución, cualquier conjunto de componentes pasivos puede sustituirse por un generador de tensión o de corriente de valor igual a la tensión o corriente que aparezca entre los terminales del conjunto, sin que por ello se modifiquen las magnitudes en el resto del circuito.
Teorema de la sustitución
En otras palabras, el teorema de la sustitución dice que si en un circuito semejante al indicado en la Figura 8 se sustituye la red pasiva por un generador que imponga la misma tensión VR, la intensidad IR será la misma en ambos casos.
Este teorema es de gran utilidad cuando se analizan circuitos complejos formados por diversas redes pasivas diferenciadas, puesto que permite simplificar el esquema inicial.
TEOREMA DE MILLMANN
Este teorema se aplica a redes que poseen sólo dos nudos. Proporciona la diferencia de potencial entre ambos en función de los parámetros del circuito. Sea una red con sólo dos nudos principales en la que hay n ramas con componentes pasivos y generadores de tensión, m ramas sólo con componentes pasivos y p ramas con generadores de corriente, tal y como puede verse en la siguiente Figura.
![]() |
| Teorema de Millmann |
La tensión entre los puntos A y B viene dada por la siguiente expresión:
Una de las aplicaciones típicas de este teorema es el análisis de circuitos con varios generadores reales en paralelo alimentando a una carga.









Este comentario ha sido eliminado por el autor.
ResponderEliminarEste comentario ha sido eliminado por el autor.
EliminarEsta mal!! La fuente de corriente se sustituye por un circuito abierto y la fuente de tensión por un cortocircuito. Las ilustraciones son correctas!
Eliminar